16J602-2彩色涂层钢板门窗 百度网盘
16J602-2图集是09J602-2图集的一个更新版本,依据相关标准规范编制,图集包括固定窗、平开窗、上悬窗、百叶窗等不同门窗的选用表和构造图,适合各种类型建筑门窗的设计选用、安装和施工。本站提供16J602-2图集免费下载,PDF文档格式,百度网盘。

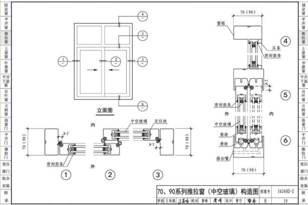
16J602-2图集预览




[hide]
16J602-2图集百度网盘下载地址:
链接:百度网盘链接状态:检测中…https://pan.baidu.com/s/1IGoTGNCts91********************点击下载下载次数:0
提取码:38cv
相关标签
还没有评论,快来抢沙发吧!