19T202地铁装配式管道支吊架设计与安装图集
19T202图集是一款标准的管道支吊架设计和安装图集,图集详细介绍了不同的管道吊架图,还有具体的装配示意图和支吊架计算等,适合新建、扩建和改建的地铁工程装配式管道支吊架的设计和施工安装。本站提供19T202图集免费下载,百度网盘地址。

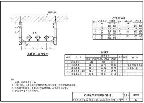
19T202图集预览



[hide]
19T202图集百度网盘下载地址:
链接:百度网盘链接状态:检测中…https://pan.baidu.com/s/1ggERE_7SKuG********************点击下载下载次数:0
提取码:wah1
还没有评论,快来抢沙发吧!